ALLWINCITY万象城
首页
ALLWINCITY万象城
企业简介
企业文化
发展历程
科技创新
社会责任
产品中心
磁性材料
磁心元件
电子器件
智慧电源
应用场景
新闻中心
加入我们
联系我们
中文
| EN
首 页
ALLWINCITY万象城
企业简介
企业文化
发展历程
科技创新
社会责任
产品中心
磁性材料
磁心元件
电子器件
智慧电源
应用场景
新闻中心
加入我们
联系我们
中文
| EN
产品
产品
新闻
热门搜索:
粉
111
磁性材料
万象城
电子器件
首页
产品中心
磁心元件
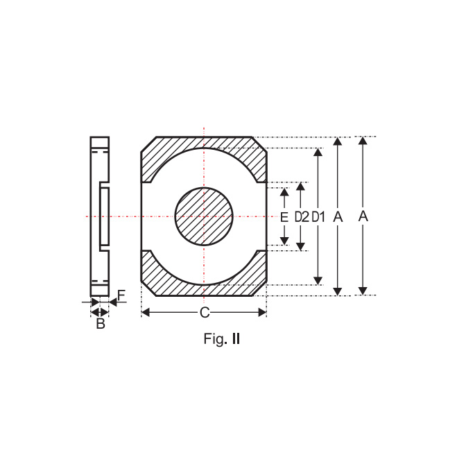
功率类铁氧体磁心
EQ型磁心
返回列表
EQ型磁心
联系我们
产品详情
推荐产品
ER型磁心
EJ型磁心
EER-EC型磁心
EDR型磁心
service@cgte.cn